云南裕能新能源电池材料有限公司20260126询价单减速机
采购商:湖南裕能新能源电池材料股份有限公司
| 联系人 | 联系电话 | ||
| 发布时间 | 2026-01-26 14:39:01 | 截止时间 |
2026-02-02 23:59:59
|
| 期望收货期 | 2026-02-12 — 2026-02-28 | 交货期要求 | 自下单后10天内交货至指定地点 |
| 价格有效期 | 2026-01-26 — 2026-03-08 | 询价单编号 | 210023398780835 |
| 收货地区 | 云南 昆明 安宁市 草铺街道云南省 昆明市 安宁市 草铺街道 权甫村委会碗窑路18号(云南裕能新能源电池材料有限公司2号门进(出示送货单,无送货单不给进,10栋南门1号物资仓库卸货) |
商机详细信息
采购类型:标准订单(单次采购)
询价类型:现货/标准品
采购清单
| 行号 | 物料编码 | 物料名称 | 品牌 | 型号 | 采购量 | 是否送样 | 对供应商附言 |
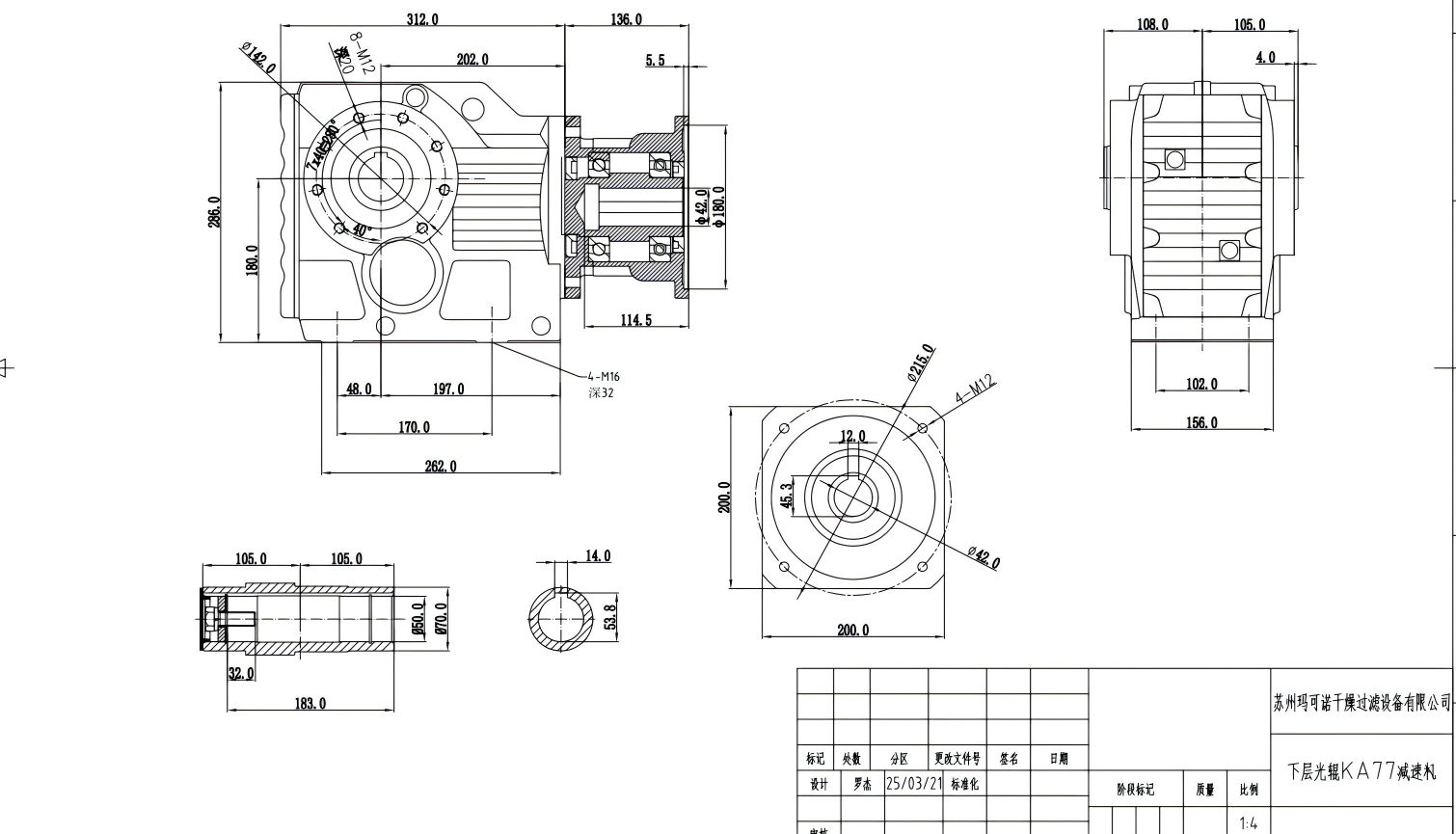
| 1 | 1201003030950110 | 减速机 物料描述:三车间机械 | φ42*φ215 (XMKN-0A15K3-MKA) 外表不含铜锌 详见图纸 | 5台 | 不送样 |
采购要求
报价要求:需要报含税价、发票需要包含运费、报价需要包含运费、不允许对询价单部分物料报价、不允许供应商报价可改数量
发票要求:增值税专票(一般纳税人开具)
交易方式:账期支付(在结算对账后60天内付款)
支付方式:线下支付
补充说明描述:
报价之前请注意:拒绝三无产品,温馨提示:电机、减速机表面禁铜锌,气缸,气动元件铜锌不得超1%,严禁铜锌超标。阀门密封禁止三元乙丙橡胶,铜锌超标。严禁铜锌超标。
1、所有物品均不能含有铜锌成分(除特殊备注外),到货后一律用仪器检测,不合格的拒收,有疑问的请沟通联系确认后谨慎报价;
2、报价型号有疑问请确认后在报价,后续下单完成后反馈型号、价格、货期有问题无法执行订单的一律拉黑处理;
3、报价物料需严格按照我司要求品牌报价,无品牌要求物料选择最低价;
4、采用单项低价下单,介意勿报;
5、物料到货时间,若不能满足我司要求到货时间,需提前与我司沟通协调;
6、送货必须有物料清单(盖鲜章版)!!!(送货进厂门卫必须跟司机确认发货清单才能进厂,否则一概退回)清单不能体现价格!注明我司下单人姓名、采购订单编号、物料名称、规格型号、数量,供应商名称;
7、我司只接收能送货到厂的快递、物流,其余未能送货到厂物料需供应商自行与物流公司沟通及时送货。请报价时仔细核算成本,谢谢!推荐物流:顺丰、京东、顺心捷达、德邦物流、安能物流、中通快运、百世快运;
8、每天11点半至14点和17点以后无法收货,请合理安排送货时间!!!送货需卸货到我司指定位置;
9、所有质量问题产生的退换货(返修)费用,都由卖方负责。
未按我司要求执行的到货物料,一律拒收,请知悉,谢谢!
送货进厂人员不可穿短裤,拖鞋。
结算方式为:两万以下电汇,两万以上6个月银行承兑。可收电子发票。货到票到60天结算,请当月及时先对账再开票(避免月底开票,原则上每个基地每个供应商每月只允许开一张发票,一次结算付款,一个基地多个订单合并开票)。
